Products

22JXE3K/20ZY32 PM DC Planetary Gear Motor

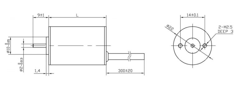
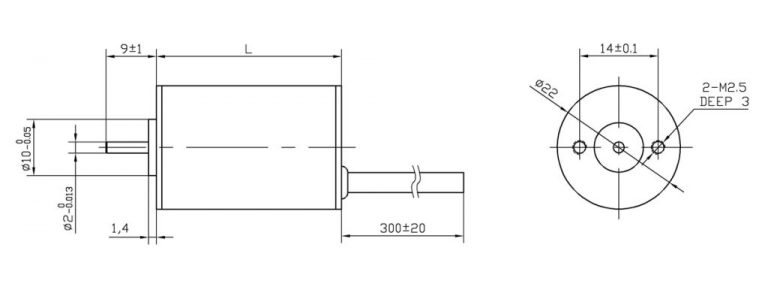
22mm OD Planetary Gearbox

  • Permissible Load Range: 0.03 N·m to 0.3 N·m

  • Application: Electronic toys

  • Ring Gear Material: Metal and Powder Metal (Ring gear can be selected within the two materials)

Motor Technical Data

TYPE
Rated voltage No-load speed No-load current Rated speed Rated torque Output power Rated current Stall torque Stall current
VDC r/min mA r/min mN.m W mA mN.m A
20ZY32-1280 12 8000 70 6700 2.2 1.5 200 13.9 1.07
20ZY32-1295 12 9500 70 7800 2.3 1.9 240 17.5 1.51
20ZY32-2480 24 8000 40 6700 2.3 1.6 110 15.0 0.58

Gear Motor Technical Data

20ZY32-1280 DC Motor

 Reduction ratio 4 4.75 16 19 22 64 76 90 107 256 304 364 429 509
Number of gear trains 1 1 2 2 2 3 3 3 3 4 4 4 4 4
 Length(L)      mm 14.4 14.4 17.8 17.8 17.8 21.5 21.5 21.5 21.5 25.2 25.2 25.2 25.2 25.2
No-load speed  r/min 2000 1684 500 421 364 125 105 89 75 31 26 22 19 16
Rated speed  r/min 1675 1411 419 353 305 105 88 74 63 26 22 18 16 13
Rated torque  N.m 0.008 0.009 0.029 0.034 0.039 0.10 0.12 0.14 0.17 0.3 0.3 0.3 0.3 0.3
Max. permissible load in a short time N.m 0.09 0.09 0.45 0.45 0.45 0.75 0.75 0.75 0.75 0.75 0.9 0.9 0.9 0.9

20ZY32-1295 DC Motor

 Reduction ratio 4 4.75 16 19 22 64 76 90 107 256 304 364 429 509
Number of gear trains 1 1 2 2 2 3 3 3 3 4 4 4 4 4
 Length(L)      mm 14.4 14.4 17.8 17.8 17.8 21.5 21.5 21.5 21.5 25.2 25.2 25.2 25.2 25.2
 No-load speed  r/min 2375 2000 594 500 432 148 125 106 89 37 31 26 22 19
Rated speed  r/min 1950 1642 488 411 355 122 103 87 78 30 26 21 18 15
Rated torque  N.m 0.008 0.010 0.030 0.035 0.041 0.11 0.13 0.15 0.18 0.3 0.3 0.3 0.3 0.3
Max. permissible load in a short time N.m 0.09 0.09 0.45 0.45 0.45 0.75 0.75 0.75 0.75 0.75 0.9 0.9 0.9 0.9

20ZY32-2480DC Motor

 Reduction ratio 4 4.75 16 19 22 64 76 90 107 256 304 364 429 509
 Number of gear trains 1 1 2 2 2 3 3 3 3 4 4 4 4 4
 Length(L)      mm 14.4 14.4 17.8 17.8 17.8 21.5 21.5 21.5 21.5 25.2 25.2 25.2 25.2 25.2
No-load speed  r/min 2000 1684 500 421 364 125 105 89 75 31 26 22 19 16
Rated speed  r/min 1675 1411 419 353 305 105 88 74 63 26 22 18 16 13
Rated torque  N.m 0.008 0.010 0.030 0.035 0.041 0.11 0.13 0.15 0.18 0.3 0.3 0.3 0.3 0.3
Max. permissible load in a short time N.m 0.09 0.09 0.45 0.45 0.45 0.75 0.75 0.75 0.75 0.75 0.9 0.9 0.9 0.9

Get In Touch